logo
CENO Electronics Technology Co.,Ltd
อีเมล inquiry@ceno360.com โทร: 86-755-23420945

ข้อต่อหมุน RF 2 ช่องพร้อมช่วงความถี่ DC-4.5GHz สำหรับเสาอากาศเรดาร์

ข้อต่อโรตารี่ความถี่วิทยุ
2025-11-19
882 ความเห็น
ติดต่อตอนนี้
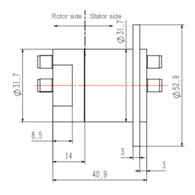
ข้อต่อแบบหมุน RF 2 ช่องพร้อมช่วงความถี่ DC-4.5GHz สำหรับเสาอากาศเรดาร์ RCN0204E เป็นข้อต่อแบบหมุน RF 2 ช่องของ CENO พร้อมขั้วต่อแบบ SMA-K (50Ω) ซึ่งออกแบบมาโดยเฉพาะสำหรับการส่งสัญญาณความถี่วิทยุ คุณสม... ดูเพิ่มเติม
ข้อความจากผู้เข้าชม ส่งข้อความ
ข้อต่อหมุน RF 2 ช่องพร้อมช่วงความถี่ DC-4.5GHz สำหรับเสาอากาศเรดาร์
ข้อต่อหมุน RF 2 ช่องพร้อมช่วงความถี่ DC-4.5GHz สำหรับเสาอากาศเรดาร์
ติดต่อตอนนี้
เรียนรู้ เพิ่มเติม
วิดีโอที่เกี่ยวข้อง
รวมสลิปริง RF เข้ากับสัญญาณ Ethernet ของเอ็นโค้ดเดอร์และข้อต่อหมุนความถี่วิทยุ 00:16
รวมสลิปริง RF เข้ากับสัญญาณ Ethernet ของเอ็นโค้ดเดอร์และข้อต่อหมุนความถี่วิทยุ

รวมสลิปริง RF เข้ากับสัญญาณ Ethernet ของเอ็นโค้ดเดอร์และข้อต่อหมุนความถี่วิทยุ

ข้อต่อโรตารี่ความถี่วิทยุ
2026-03-18
อุณหภูมิต่ํา รวมพลังงาน RF สลิปวงแหวนกับรังสีความถี่ Rotary Joint 00:19
อุณหภูมิต่ํา รวมพลังงาน RF สลิปวงแหวนกับรังสีความถี่ Rotary Joint

อุณหภูมิต่ํา รวมพลังงาน RF สลิปวงแหวนกับรังสีความถี่ Rotary Joint

ข้อต่อโรตารี่ความถี่วิทยุ
2026-03-17
ข้อต่อโรตารี่ความถี่วิทยุช่องสัญญาณเดียวพร้อมสลิปริง RF เหมาะสำหรับอุณหภูมิต่ำ 00:30
ข้อต่อโรตารี่ความถี่วิทยุช่องสัญญาณเดียวพร้อมสลิปริง RF เหมาะสำหรับอุณหภูมิต่ำ

ข้อต่อโรตารี่ความถี่วิทยุช่องสัญญาณเดียวพร้อมสลิปริง RF เหมาะสำหรับอุณหภูมิต่ำ

ข้อต่อโรตารี่ความถี่วิทยุ
2026-03-16
3 RF Rotary Joint อุณหภูมิต่ํา รวมพลังงานและคลื่นวิทยุ 00:21
3 RF Rotary Joint อุณหภูมิต่ํา รวมพลังงานและคลื่นวิทยุ

3 RF Rotary Joint อุณหภูมิต่ํา รวมพลังงานและคลื่นวิทยุ

ข้อต่อโรตารี่ความถี่วิทยุ
2026-01-20
วงแหวนสลิปริงรวมพลังงานและคลื่นวิทยุแบบบูรณาการอุณหภูมิต่ำ, ข้อต่อหมุน RF 00:21
วงแหวนสลิปริงรวมพลังงานและคลื่นวิทยุแบบบูรณาการอุณหภูมิต่ำ, ข้อต่อหมุน RF

วงแหวนสลิปริงรวมพลังงานและคลื่นวิทยุแบบบูรณาการอุณหภูมิต่ำ, ข้อต่อหมุน RF

ข้อต่อโรตารี่ความถี่วิทยุ
2026-01-20
2 ช่องวิทยุความถี่ Rotary Joint กับ RF Slip Ring ชุด อุณหภูมิต่ํา 00:20
2 ช่องวิทยุความถี่ Rotary Joint กับ RF Slip Ring ชุด อุณหภูมิต่ํา

2 ช่องวิทยุความถี่ Rotary Joint กับ RF Slip Ring ชุด อุณหภูมิต่ํา

ข้อต่อโรตารี่ความถี่วิทยุ
2026-01-20
4 ช่อง RF Rotary Joint ประกอบพลังงานไฟฟ้า สลิปวงแหวนในอุณหภูมิต่ํา 00:25
4 ช่อง RF Rotary Joint ประกอบพลังงานไฟฟ้า สลิปวงแหวนในอุณหภูมิต่ํา

4 ช่อง RF Rotary Joint ประกอบพลังงานไฟฟ้า สลิปวงแหวนในอุณหภูมิต่ํา

ข้อต่อโรตารี่ความถี่วิทยุ
2025-11-19
2 ช่อง RF Rotary Joint รวมพลังงานไฟฟ้าและสัญญาณสําหรับราดาร์ 00:22
2 ช่อง RF Rotary Joint รวมพลังงานไฟฟ้าและสัญญาณสําหรับราดาร์

2 ช่อง RF Rotary Joint รวมพลังงานไฟฟ้าและสัญญาณสําหรับราดาร์

ข้อต่อโรตารี่ความถี่วิทยุ
2025-11-19
รวมวงแหวนลื่นไฟฟ้าอีเธอร์เน็ตและ RF เข้ากับ Rotary Union ความถี่วิทยุ 00:21
รวมวงแหวนลื่นไฟฟ้าอีเธอร์เน็ตและ RF เข้ากับ Rotary Union ความถี่วิทยุ

รวมวงแหวนลื่นไฟฟ้าอีเธอร์เน็ตและ RF เข้ากับ Rotary Union ความถี่วิทยุ

ข้อต่อโรตารี่ความถี่วิทยุ
2025-09-12
อุณหภูมิต่ําบูรณาการพลังงานไฟฟ้า Ethernet & RF 00:21
อุณหภูมิต่ําบูรณาการพลังงานไฟฟ้า Ethernet & RF

อุณหภูมิต่ําบูรณาการพลังงานไฟฟ้า Ethernet & RF

ข้อต่อโรตารี่ความถี่วิทยุ
2025-09-12
ประกอบพลังงานไฟฟ้า & วงแหวนคลื่นคลื่นคลื่นวิทยุกับ rf รอตอรี่ร่วม 00:19
ประกอบพลังงานไฟฟ้า & วงแหวนคลื่นคลื่นคลื่นวิทยุกับ rf รอตอรี่ร่วม

ประกอบพลังงานไฟฟ้า & วงแหวนคลื่นคลื่นคลื่นวิทยุกับ rf รอตอรี่ร่วม

ข้อต่อโรตารี่ความถี่วิทยุ
2025-08-28
อุณหภูมิต่ํา รวม RF Rotary Joint Slip Ring กับสัญญาณ Ethernet 1000M 00:48
อุณหภูมิต่ํา รวม RF Rotary Joint Slip Ring กับสัญญาณ Ethernet 1000M

อุณหภูมิต่ํา รวม RF Rotary Joint Slip Ring กับสัญญาณ Ethernet 1000M

ข้อต่อแบบหมุนไฟเบอร์ออปติก
2024-01-04
วงแหวนสไลด์คู่นําคลื่นที่มี 2 ช่องทาง CPRG187G ความถี่วิทยุ 00:29
วงแหวนสไลด์คู่นําคลื่นที่มี 2 ช่องทาง CPRG187G ความถี่วิทยุ

วงแหวนสไลด์คู่นําคลื่นที่มี 2 ช่องทาง CPRG187G ความถี่วิทยุ

ข้อต่อโรตารี่ความถี่วิทยุ
2025-08-28
3 ช่องวิทยุความถี่ Rotary Joint กับ RF Slip Ring สําหรับแอนเทนนาราดาร์ 00:36
3 ช่องวิทยุความถี่ Rotary Joint กับ RF Slip Ring สําหรับแอนเทนนาราดาร์

3 ช่องวิทยุความถี่ Rotary Joint กับ RF Slip Ring สําหรับแอนเทนนาราดาร์

ข้อต่อโรตารี่ความถี่วิทยุ
2024-07-30
วงแหวนสลิปแปรงคาร์บอนที่มีรูผ่าน 60 มม. 8 วงจรและเรือนสกัดเหล็กอลูมิเนียมสําหรับการใช้งานอุตสาหกรรม 00:25
วงแหวนสลิปแปรงคาร์บอนที่มีรูผ่าน 60 มม. 8 วงจรและเรือนสกัดเหล็กอลูมิเนียมสําหรับการใช้งานอุตสาหกรรม

วงแหวนสลิปแปรงคาร์บอนที่มีรูผ่าน 60 มม. 8 วงจรและเรือนสกัดเหล็กอลูมิเนียมสําหรับการใช้งานอุตสาหกรรม

แหวนสลิปอุตสาหกรรม
2026-04-27